Skip to main content
Home
About
Studio
Gym Facilities
Restaurant
News
Classes
Overview
Yoga
Therapy
Therapy
Physiotherapy
Trainers
Pricing
Contact
Domů
Nabídka bytů
Byt č.1: 3+KK 83,8 m²
Byt č.2: 2 + KK 46,8 m²
Byt č.3: 3 + KK 83,8 m²
Byt č.4: 2 + KK 50,6 m²
Byt č.5: 3 + KK 92,6 m²
Byt č.6: 4 + KK 94,8 m²
Byt č.7: 4 + KK 99,6 m²
Technické údaje
Kontakty
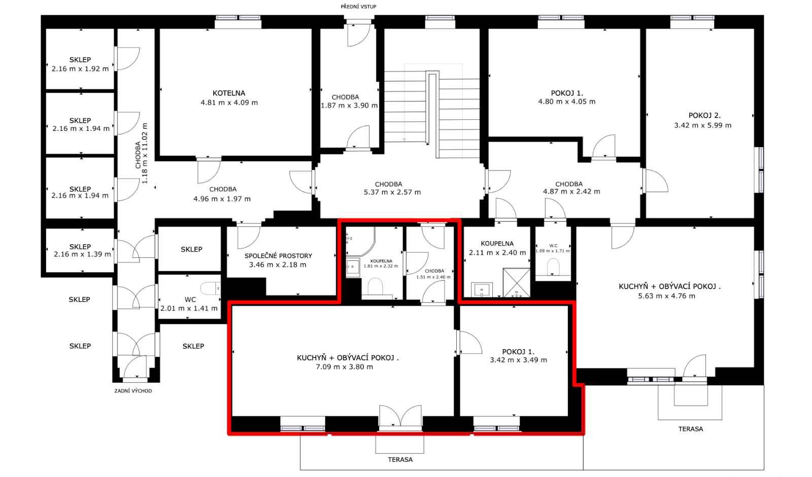
Byt č.2, 2+KK
celková podlahová plocha je 46,8 m²
Byt č.2, 46,8 m², přízemí
místnost mimo byt 2,8 m²
1 x parkovací místo
společné prostory (kočárkárna, úklidová místnost, kotelna)
Tento byt má vlastní vydlážděnou soukromou terasu, s přímým přístupem z kuchyně o velikosti 20 m². Sklep/komora se nachází v přízemí a proto je využitelný i jako další velmi dobře přístupná místnost.
Soukromá terasa
parkovací místo č.2
Virtuální prohlídka bytu
Virtuální prohlídka celého domu
Domluvme si prohlídku
Vyplňte prosím tento krátký formulář a my se vám brzy ozveme.
Jméno
*
e-mail
*
Příjmení
*
Telefon
*
+420
Hledat
Kdy se chcete přijít podívat?
Zpráva pro nás
Odeslat
Podívejte se na
virtuální prohlídku bytu
Připravili jsme pro vás virtuální prohídku bytu
podívejte se jak by mohlo vypadat vaše nové bydlení
Domluvte si osobní prohlídku
+420 774 902 160